特点及应用
H系列直角泵传动装置可将原动机水平轴动力传递至垂直泵轴,经济、高效、节省空间,适合各种气候条件。
H系列直角泵传动装置直接与柴油机、卧式电机或汽轮机配套,可用于长轴泵、深井泵、斜流泵、轴流泵、液下泵等各种立式泵的传动和变速以及各种立轴机的直角传动和变速。 H系列直角泵驱动装置可以直接承受机器中可能存在的轴向力,简化了机器的结构。可广泛应用于农田灌溉、水利工程、市政工程、冶金矿山、石油化工、消防及海洋工程等。
多种型号和传动比可满足高、低速原动机和泵的要求。
表1
垂直轴速度 (转/分) | 横轴转速(r/min) | |||||||
增速比 — 主动:从动 | ||||||||
1:2 | 4:7 | 2:3 | 3:4 | 4:5 | 5:6 | 10:11 | 1:1 | |
490 | 245 | 280 | 327 | 368 | 392 | 408 | 445 | 490 |
580 | 290 | 331 | 387 | 435 | 464 | 483 | 527 | 580 |
690 | 345 | 394 | 460 | 518 | 552 | 575 | 627 | 690 |
720 | 360 | 411 | 480 | 540 | 576 | 600 | 655 | 720 |
860 | 430 | 491 | 573 | 645 | 688 | 717 | 782 | 860 |
960 | 480 | 549 | 640 | 720 | 768 | 800 | 873 | 960 |
1160 | 580 | 663 | 773 | 870 | 928 | 967 | 1055 | 1160 |
1460 | 730 | 843 | 973 | 1095 | 1168 | 1217 | 1327 | 1460 |
1760 | 880 | 1006 | 1173 | 1320 | 1408 | 1467 | 1600 | 1760 |
3460* | 1730 | 1977 | 2307 | 2595 | 2768 | 2883 | 3145 | 3460 |
垂直轴速度 (转/分) | 横轴转速(r/min) | ||||||||||
减速比 — 主动:从动 | |||||||||||
11:10 | 6:5 | 5:4 | 4:3 | 3:2 | 7:4 | 2:1 | 9:4 | 5:2 | 3:1 | 4:1 | |
490 | 539 | 588 | 613 | 653 | 735 | 858 | 980 | 1103 | 1225 | 1470 | 1960 |
580 | 638 | 696 | 725 | 733 | 870 | 1015 | 1160 | 1305 | 1450 | 1740 | 2320 |
690 | 759 | 828 | 863 | 920 | 1035 | 1208 | 1380 | 1553 | 1725 | 2070 | — |
720 | 792 | 864 | 900 | 960 | 1080 | 1260 | 1440 | 1620 | 1800 | 2160 | — |
860 | 946 | 1032 | 1075 | 1147 | 1290 | 1505 | 1720 | 1935 | 2150 | 2580 | — |
960 | 1056 | 1152 | 1200 | 1280 | 1440 | 1680 | 1920 | 2160 | 2400 | 2880 | — |
1160 | 1276 | 1392 | 1450 | 1547 | 1740 | 2030 | 2320 | 2610 | 2900 | 3480 | — |
1460 | 1606 | 1752 | 1825 | 1947 | 2190 | 2555 | 2920 | 3285 | 3650 | — | — |
1760 | 1936 | 2112 | 2200 | 2347 | 2640 | 3080 | 3520 | — | — | — | — |
请咨询我公司
模型 | 垂直轴转速(r/min) | 力量 马力/千瓦 | 标准 | 重型型 | 双向 | ||
单次向下推力(N) | 单次向下推力 (N) | 最大向下或向上推力(N) | |||||
| 最低限度 | 最大限度 | 最低限度 | 最大限度 | ||||
H80 | 860 | 46/34 | 9120 | 32900 | 6675 | 43200 | 19600 |
960 | 50/37 | 8980 | 31540 | 42100 | 19100 | ||
1160 | 58/43 | 8680 | 30700 | 40500 | 18250 | ||
1460 | 69/51 | 8000 | 28500 | 36900 | 16910 | ||
| 1760 | 80/60 | 7560 | 26700 | 35600 | 13350 | ||
H110 | 860 | 63/46 | 10450 | 32900 | 8000 | 43200 | 19600 |
960 | 69/51 | 9920 | 31540 | 42100 | 19100 | ||
1160 | 80/60 | 9790 | 30700 | 40500 | 18250 | ||
1460 | 95/70 | 9120 | 28500 | 37800 | 16910 | ||
| 1760 | 110/81 | 8450 | 26700 | 35600 | 13350 | ||
H125 | 720 | 63/46 | 12900 | 37800 | 12460 | 54300 | 22700 |
860 | 72/53 | 12000 | 35600 | 11800 | 51600 | 21400 | |
960 | 79/58 | 11780 | 34790 | 11560 | 50400 | 21000 | |
1160 | 90/66 | 11350 | 33400 | 11100 | 48000 | 20000 | |
1460 | 108/79 | 10680 | 31150 | 10200 | 44900 | 18700 | |
| 1760 | 125/92 | 9790 | 28900 | 9800 | 42300 | 17400 | |
H150 | 720 | 75/55 | 13570 | 43600 | 14000 | 66750 | 26250 |
860 | 87/64 | 13130 | 41830 | 13350 | 63630 | 24900 | |
960 | 95/70 | 12890 | 40120 | 13000 | 62120 | 24100 | |
1160 | 108/79 | 12240 | 39160 | 12460 | 59180 | 23600 | |
1460 | 129/95 | 11570 | 36930 | 11570 | 55620 | 22250 | |
1760 | 150/110 | 11120 | 35600 | 11120 | 53400 | 21360 | |
H200 | 720 | 100/73.5 | 16000 | 53400 | 15130 | 72085 | 30000 |
860 | 116/85 | 14680 | 48950 | 14240 | 68080 | 28000 | |
960 | 126/93 | 14100 | 47680 | 13920 | 65610 | 27000 | |
1160 | 144/106 | 13570 | 45400 | 13350 | 63630 | 25360 | |
1460 | 172/126.5 | 12680 | 42270 | 12680 | 60000 | 23580 | |
1760 | 200/147 | 12000 | 40000 | 12000 | 57850 | 22690 | |
H300 | 720 | 150/110 | 16700 | 60700 | 16700 | 83660 | 36500 |
860 | 174/128 | 15800 | 57850 | 16000 | 79650 | 34700 | |
960 | 189/139 | 15500 | 56100 | 15600 | 77210 | 33200 | |
1160 | 216/159 | 14900 | 54300 | 14900 | 74310 | 32500 | |
1460 | 258/190 | 14000 | 51200 | 14000 | 69860 | 30700 | |
1760 | 300/220 | 13350 | 48950 | 13350 | 66750 | 29400 | |
H350 | 720 | 175/129 | 18900 | 72530 | 18700 | 89000 | 43600 |
860 | 203/149 | 18000 | 68970 | 17800 | 84500 | 41400 | |
960 | 221/162 | 17700 | 67300 | 17400 | 82400 | 40300 | |
1160 | 252/185 | 16700 | 64100 | 16700 | 79200 | 38300 | |
1460 | 301/221 | 15800 | 60500 | 15600 | 74300 | 36500 | |
1760 | 350/257 | 15130 | 57850 | 15100 | 71200 | 34700 | |
H425 | 720 | 213/156.5 | 20700 | 83200 | 21100 | 111200 | 49840 |
860 | 246/181 | 19800 | 79650 | 20200 | 106800 | 47610 | |
960 | 268/197 | 19100 | 77230 | 19700 | 103700 | 46510 | |
1160 | 306/225 | 18500 | 73870 | 18700 | 97900 | 44500 | |
1460 | 366/269 | 17350 | 69860 | 17800 | 93400 | 41830 | |
1760 | 425/312 | 16900 | 66750 | 16900 | 89000 | 40050 | |
H500 | 720 | 250/184 | 23360 | 83200 | 23360 | 111200 | 49840 |
860 | 290/213 | 22250 | 79650 | 22470 | 106800 | 47610 | |
960 | 315/232 | 21870 | 77160 | 21670 | 103700 | 46510 | |
1160 | 360/265 | 20700 | 73870 | 20470 | 97900 | 44500 | |
1460 | 430/316 | 19580 | 69860 | 19580 | 93400 | 41830 | |
1760 | 500/367.5 | 18690 | 66750 | 18690 | 89000 | 40050 | |
H600 | 720 | 300/220 | 24500 | 89000 | 24250 | 115700 | 53400 |
860 | 348/256 | 23140 | 84500 | 23360 | 111200 | 50730 | |
960 | 378/278 | 22670 | 82400 | 22770 | 107100 | 49720 | |
1160 | 432/317 | 21800 | 79200 | 21580 | 102300 | 47610 | |
1460 | 516/379 | 20500 | 74300 | 20470 | 97900 | 44500 | |
1760 | 600/441 | 19580 | 71200 | 19580 | 93400 | 42720 | |
H750 | 720 | 375/276 | 27600 | 89000 | 27800 | 115700 | 53400 |
860 | 435/320 | 26250 | 84500 | 26700 | 111200 | 50730 | |
960 | 473/347 | 25300 | 82800 | 26000 | 107100 | 49720 | |
1160 | 540/397 | 24500 | 79200 | 24500 | 102300 | 47610 | |
1460 | 645/474 | 23140 | 74300 | 23580 | 97900 | 44500 | |
1760 | 750/551 | 22250 | 71200 | 22250 | 93400 | 42720 | |
H1000 | 490 | 279/205 | 34500 | 108000 | 37500 | 125000 | 60000 |
580 | 329/242 | 32000 | 102000 | 34200 | 120000 | 57800 | |
720 | 408/300 | 30700 | 97000 | 30900 | 115700 | 53400 | |
860 | 488/359 | 29340 | 93400 | 29700 | 111200 | 50730 | |
960 | 544/400 | 28500 | 91700 | 29200 | 107100 | 49720 | |
1160 | 660/485 | 27600 | 87300 | 28500 | 102300 | 47610 | |
1460 | 830/610 | 26250 | 84500 | 27200 | 97900 | 44500 | |
1760 | 1000/735 | 24000 | 79100 | 25000 | 93400 | 42720 | |
H1360 | 490 | 680/500 | 35000 | 108000 | 38600 | 125000 | 60000 |
580 | 821/604 | 32600 | 102000 | 35400 | 120000 | 57800 | |
720 | 1020/750 | 31200 | 97000 | 31800 | 115700 | 53400 | |
860 | 1217/895 | 29800 | 93400 | 30600 | 111200 | 50730 | |
960 | 1360/1000 | 29700 | 91700 | 30200 | 107100 | 49720 | |
1160 | 1643/1208 | 28200 | 87300 | 29500 | 102300 | 47610 | |
1460 | 2067/1520 | 26900 | 84500 | 28300 | 97900 | 44500 | |
表 2A 不同速度下的功率和轴承推力值
垂直轴转速(r/min) | 490 | 580 | 690 | 720 | 860 | 960 | 1160 | 1460 | 1760 | 2000 | 2200 | 2400* | 2800* | 3000* |
1760r/min 时的功率百分比 | 30 | 43 | 48 | 50 | 58 | 63 | 72 | 86 | 100 | 105 | 111 | 116 | 128 | 133 |
1760r/min 时的推力% | 150 | 144 | 136 | 134 | 126 | 122 | 115 | 106 | 100 | 96 | 92 | 90 | 85 | 83 |
根据 NEMA 标准

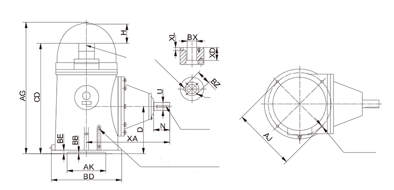
表3 尺寸(毫米)
模型 | 光盘 | D | U | XA | N | 股份公司 | H | 是 | BD | 阿杰 | AK | BB | BF | 键槽“X” | 最大BX | XD | |
图1,4 | 图2,3 | ||||||||||||||||
H80 | 514 | 228.5 | 48 | 419 | 90 | 629 | 102 | 19 | 419 | 375 | 343 | 5 | 18 | 14X4.5X70 | 40 | 没有任何 | 45 |
H110 | 635 | 289 | 50 | 445 | 90 | 749 | 102 | 25 | 419 | 375 | 343 | 5 | 18 | 14X4.5X70 | 50 | 50 | 54 |
H125 | 635 | 289 | 50 | 445 | 90 | 749 | 102 | 25 | 419 | 375 | 343 | 5 | 18 | 14X4.5X70 | 50 | 50 | 54 |
H150 | 762 | 336.5 | 60 | 521 | 120 | 876 | 102 | 25 | 508 | 375 | 343 | 5 | 18 | 18X5.5X95 | 55 | 55 | 60 |
H200 | 762 | 336.5 | 60 | 521 | 120 | 876 | 102 | 25 | 508 | 375 | 343 | 5 | 18 | 18X5.5X95 | 55 | 55 | 60 |
H300 | 870 | 381 | 70 | 610 | 140 | 1016 | 133 | 29 | 508 | 375 | 343 | 5 | 18 | 20X6X121 | 60 | 60 | 66 |
H350 | 978 | 419 | 70 | 737 | 140 | 1168 | 178 | 32 | 622 | 559* | 343 | 10 | 24 | 20X6X121 | 60 | 60 | 76 |
H425 | 1003 | 419 | 75 | 762 | 145 | 1168 | 159 | 32 | 622 | 559* | 343 | 10 | 24 | 20X6X121 | 60 | 60 | 85 |
H500 | 1003 | 419 | 90 | 787 | 170 | 1168 | 159 | 32 | 622 | 559* | 343 | 10 | 24 | 25X7X140 | 75 | 75 | 85 |
H600 | 1080 | 419 | 95 | 838 | 190 | 1295 | 203 | 32 | 622 | 559* | 343 | 10 | 24 | 25X7X140 | 75 | 80 | 100 |
H750 | 1162 | 482.5 | 100 | 914 | 190 | 1372 | 197 | 38 | 775 | 660 | 559 | 10 | 24 | 28X8X152 | 90 | 90 | 100 |
H1000 | 1405 | 545 | 110 | 1043 | 210 | 1610 | 153 | 35 | 920 | 860 | 600 | 7 | 8-28 | 28X8X170 | 100 | ||
H1360 | 1507 | 550 | 130 | 1290 | 250 | 1725 | 153 | 35 | 1250 | 1180 | 1120 | -5 | 8-28 | 32X9X220 | 110 | ||
笔记:
• 使用重型推力驱动装置时,CD和H的尺寸可能会发生变化;当减速比为7:4-4:1时,XA、U、N、X尺寸可能会发生变化,请与我公司联系。
• 增速比为3:4-1:2 时,D、CD、AG、XA、U、N、X 尺寸可能发生变化,请与我公司联系。
• 四种情况,即图2-图4所示旋转方向,重型推力,减速比7:4~3:1,增速比3:4-1:2,按特殊订单生产。
• 公差:轴径U、基槽AK、耦合孔BX
• 也可在直径为Φ375的圆圆周上布置4个M16螺孔(深度:25)。
订购 H 系列变速箱时,请提供以下数据:
模型:__________。
传动比(见表1):__________,泵转速___________r/min,原动机转速:_________r/min。
旋转方向:__________。
最大向下推力_____________,向上推力:__________(最小向下推力见表2)。
泵轴功率:_____________。泵轴直径(BX):_____________。
操作模式: 连续:_____________ 间断_____________。