典型 WP-1 立式空心轴结构

1.耐用轻质玻璃钢顶盖
2.320TP及以上机座配备深置式油浴润滑系统
3.双镀铬吊耳
4.加大铸铁接线盒
5.UL认证的绝缘系统,满足NEMA MG-1 第 31部分变频工况要求,采用不吸潮环氧清漆及双重VP1处理
6.精密铸造“P”底座设计,无需拆下防鼠网即可安装电机
7.双气流系统。下支架有多个风道,配合上下部耐腐蚀防鼠网,确保电机整体散热良好
8.精密平衡压铸铝转子,表面涂防锈漆。转子采用600级硅钢制成,最大限度地减少铁损
9.F 级绝缘,1.15 服务系数下温升符合B级标准
10.全不锈钢完整参数铭牌
11.旋塞式放油口
12.加大号一体式视油镜
13.440 机座及以上机型,上轴承座经加工可承受 175% 额定对地电压。
14.手柄注油塞,方便拆卸和重新安装
15.12 球“球型”防逆转棘轮由球墨铸铁制成,具有卓越的刚性
机械产品特点
• 经过验证的美式机座设计
• 无与伦比的双气流通风系统
• 高等级全铸铁结构
• 耐用玻璃钢顶盖
• 手柄注油塞
• 440机座配备深置式油浴润滑系统
• 5810P机座-加大号视油镜
• 卓越的球型棘轮组件
• 不锈钢百叶窗式防鼠网
• 旋转组件的精密动平衡
• 上支架带有经过加工的垫片,可适配 175%额定对地电压安装
电气产品特点
• UL认证变频专用导线
• 不锈钢完整参数铭牌
• 高级“F”绝缘
• 双VPI 处理
• 符合MG-1 第 31 部分标准
• 空间加热器和热保护
• 各功率机型可应要求提供完整参数包
• 适合热带地区的绝缘
• 低铁损硅钢片
• UL 绝缘系统认证等级
立式空心轴电机数据
NEMA标准

立式空心轴电机数据
国际电工委员会标准

精密动平衡工艺
汪洋的立式空心轴电机均经过精密动平衡处理,以确保每台电机的卓越性能和长久使用寿命。我们使用振动监视器测试我们的电机,以检测不同程度的振动,以便我们的技术人员在必要时进行修正。在电机组装之前,所有旋转部件均经过单独动平衡处理。
在某些情况下,即使所有零件都平衡到正常公差,当组装成完整的电机并沿相同方向旋转时,这可能会导致累积误差。因此,我们还会对整机进行动平衡检测,确保精度达到 0.00085 英寸,让电机运行平稳、平衡性能优异。
1.小型旋转部件均经过动平衡处理 转子、止推轴承、联轴器和逆止器均在电子控制设备上经过动平衡检测。 | 2.转子动平衡处理 动平衡处理后的转子组件在测量校正的电子设备上进一步得到完善 | 3.整机振动平衡检测精度达 0.00085 英寸 振动监视器测量装配后电机的整体运行震动,精准控制公差仅为0.00085。 | 4.完成组装的电机精调平衡 在步骤 3 中,通过对上轴承座中的铅配重进行校正 来实现精密动平衡。 |
![]() | ![]() | ![]() | ![]() |
优质部件和配件
加大号推力轴承
轻松承受严苛推力载荷
汪洋立式空心轴电机采用加大号推力轴承,使用寿命长。可视油位设计、低摩擦青铜轴承保持架、精密铸造轴承座、
深置式油浴润滑及精密平衡轴承,确保稳定无故障运行。
超高推力工况专用轴承选项
当存在更高的推力要求时,汪洋提供适配选型方案,保障电机长期稳定运行。我们为轴承叠装预留了设计空间,只需拆除“间隔轴承”并在其位置安装匹配的轴承即可轻松进行修改。为了满足更高的推力需求,可配备带铜冷却管的调心滚子轴承。

球型防逆转棘轮
立即锁定防止泵轴反转
当电机断电时,水柱回落至正常水位导致泵反转。优选的球型防逆转棘轮是防止该反转现象的最佳设计,同时还能杜绝反向运行的可能。该球型棘轮由外部旋转件构成,其内部设有一系列沿复合角度向外向上延伸的槽道。当电机启动时,球通过离心作用上升,不受棘轮的影响。电机停机后,随着转速逐渐降低,自由滚动的球会沿着各自的槽道下降,当电机完全停止时,立即锁定以防止泵轴反转。汪洋棘轮由球墨铸铁制成,钢球用耐磨钢材制成。

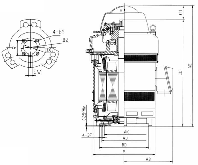
立式空心轴电机尺寸
NEMA 标准 WP1


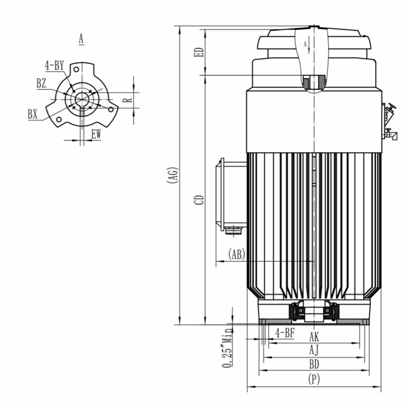
立式空心轴电机尺寸
NEMA 标准 TEFC


立式空心轴电机尺寸
国际电工委员会标准

